
Schicken Sie uns eine E-Mail
sale@lscmagnetics.com
Kontaktnummer
+86 -13559234186
Der elektromagnetische Trockenabscheider der RCDB-Serie (auch bekannt als elektromagnetischer Scheibenabscheider der PDC-Serie) findet breite Anwendung im Bergbau, in der Energieerzeugung, Metallurgie, Zement-, Baustoff-, Chemie-, Keramik- und Glasindustrie. Das Gerät wird üblicherweise über einem Förderband angebracht und erzeugt im eingeschalteten Zustand ein starkes Magnetfeld. Während das Material auf dem Band darunter vorbeifließt, werden eisenhaltige Partikel – darunter Nägel, Schrauben, Schlacke und sonstige Eisenfragmente – durch die starke Magnetkraft sofort von der Oberfläche der Magnetpole angezogen. Nach dem Abschalten des Geräts oder dem Entfernen des Abscheiders fällt das aufgefangene Eisen automatisch ab, wodurch der Trennvorgang abgeschlossen ist.
Artikel-Nr :
RCDB Suspended Electromagnetic SeparatorBestellung (MOQ) :
1Produktherkunft :
chinaVorlaufzeit :
7-10daysRCDB-Elektromagnetischer Eisenabscheider (aufgehängt)
In der modernen industriellen Produktion beeinträchtigen Eisenverunreinigungen in Materialien nicht nur die Produktqualität, sondern stellen auch eine ernsthafte Gefahr für nachgelagerte Anlagen wie Brecher, Mühlen und Förderbänder dar. Der elektromagnetische Eisenabscheider der RCDB-Serie ist genau der industrielle „Entferner“ und „Anlagenschutz“, der für diese Herausforderungen entwickelt wurde. Angetrieben von einem gleichstromangeregten elektromagnetischen Feld, entfernt dieses Gerät Eisen aus der Ferne und erfasst und entfernt Eisenverunreinigungen präzise aus nichtmagnetischen Materialien, während es gleichzeitig Produktreinheit und Anlagensicherheit gewährleistet.


I. RCDB-Elektromagnetabscheider: Doppelter Schutz für Produktreinigung und Anlagensicherheit
Der Kernnutzen des RCDB Elektromagnetischen Eisenentferners liegt in zwei entscheidenden Funktionen:
Materialreinigung: Das Verfahren entfernt effektiv Eisenverunreinigungen aus Rohstoffen und verbessert so die Produktqualität und -reinheit. Dies ist unerlässlich in der Keramik-, Glas-, Lebensmittel-, Chemie- und anderen Branchen, in denen kontaminationsfreie Produkte zwingend erforderlich sind.
Anlagenschutz: Die RCDB wird vor Brechern, Walzenpressen und anderen wichtigen Maschinen installiert und verhindert, dass eisenhaltige Gegenstände die Anlagen beschädigen und Förderbänder längs einreißen. Sie fungiert somit als Schutzschild für die Brechanlagen.
II. Wichtigste technische Vorteile und Innovationen
Was die RCDB-Serie auszeichnet, ist ihre fortschrittliche Kerntechnologie und ihre robuste Bauweise.
1. Computeroptimierter Magnetkreis – Tiefes Eindringen und hohe Feldstärke
Der Magnetkreis des RCDB wurde mithilfe von Computersimulationen präzise ausgelegt. Dies führt zu einer optimierten Feldverteilung, tiefer magnetischer Durchdringung und einem hohen Gradienten, der selbst bei großen Arbeitsspalten maximale Anziehungskraft gewährleistet. Das Gerät erfasst zuverlässig eisenhaltige Teile von 0,1 kg bis 35 kg, die mit nichtmagnetischen Materialien vermischt sind, und erreicht dabei eine Eisenabscheiderate von über 95 %. Ob feine Eisenspäne oder große mechanische Schrottteile – der RCDB bewältigt sie mühelos.
2. Vollständig abgedichtete, selbstkühlende Struktur – entwickelt für raue Bedingungen
Die RCDB-Serie zeichnet sich durch ein vollständig abgedichtetes, komplett verschweißtes Stahlgehäuse aus. Spule und Gehäuse sind mit einem vakuumgegossenen Epoxidharzkleber verbunden, während der Innenraum mit einem speziellen, elektrisch isolierenden Harz vergossen ist. Dadurch entsteht eine vollständig abgedichtete, selbstkühlende Struktur. Diese Konstruktion bietet hervorragende Wasser-, Staub- und Korrosionsbeständigkeit und ermöglicht einen kontinuierlichen und zuverlässigen Betrieb selbst in anspruchsvollsten Umgebungen – wie Bergwerken, Hüttenwerken und staubintensiven Wärmekraftwerken. Dank weniger potenzieller Fehlerquellen ist die Wartung einfach und kostengünstig.
3. Fortschrittliche Temperaturanstiegskontrolle – Verlängerte Lebensdauer
Der RCDB nutzt modernste Technologie zur Temperaturanstiegskontrolle. Bei konstanter Amperewindungszahl (I·N) wird die Windungszahl erhöht und die Stromdichte reduziert, wodurch die Wärmeentwicklung deutlich gesenkt wird. Dies kontrolliert den Temperaturanstieg effektiv und verlängert die Lebensdauer des Geräts erheblich. Hochleistungs-Isoliermaterialien und Magnesiumoxid-Füllstoff sorgen für hervorragende Isolierung und Wärmeableitung. Dadurch erreicht der RCDB eine bemerkenswerte Reduzierung des Temperaturanstiegs um 19,1 %, während seine Magnetfeldstärke unter heißen Betriebsbedingungen um 43 % steigt.
4. Breites Modellangebot und superstarke Magnetoptionen
Die RCDB-Serie umfasst ein breites Modellspektrum für Bandbreiten von 300 mm bis 2.000 mm und Erregerleistungen von 0,4 kW bis 18 kW und bietet somit für nahezu jede Produktionslinie die passende Lösung. Darüber hinaus sind Varianten mit besonders starken Magneten erhältlich, die die Standardvorgaben übertreffen: Die Modelle der T1-Serie liefern 90 mT, die der T2-Serie 120 mT und die der T3-Serie sogar 150 mT und erfüllen damit selbst höchste Anforderungen an die Eisenabtragung.
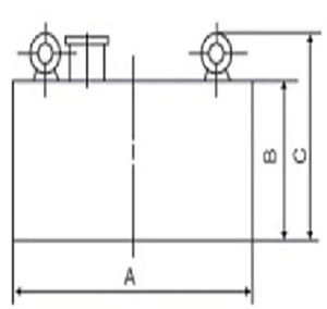
![]() ![]() | |||||||||||
| Modell | Bandbreite (mm) | Aufhängungshöhe (h=mm) | Materialtiefe (≤mm) | Magnetische Intensität (≥mT) | Antriebsleistung (≤kW) | Bandgeschwindigkeit | Betriebsart | Gewicht (kg) | Erscheinungsgröße (mm) | ||
| ≤ m/s | A | B | C | ||||||||
| RCDB-4 | 400 | 120 | 70 | 50 | 0,6 | 4,5 | kontinuierlich | 250 | 500 | 240 | 280 |
| RCDB-5 | 500 | 150 | 100 | 60 | 1 | 430 | 600 | 250 | 310 | ||
| RCDB-6 | 600 | 180 | 130 | 63 | 1.6 | 580 | 610 | 270 | 340 | ||
| RCDB-6.5 | 650 | 200 | 150 | 70 | 2 | 680 | 720 | 270 | 340 | ||
| RCDB-8 | 800 | 250 | 200 | 70 | 3.6 | 950 | 960 | 275 | 335 | ||
| RCDB-10 | 1000 | 300 | 250 | 70 | 5 | 1520 | 1200 | 320 | 420 | ||
| RCDB-12 | 1200 | 350 | 300 | 70 | 6.8 | 2250 | 1400 | 370 | 470 | ||
| RCDB-14 | 1400 | 400 | 350 | 70 | 9 | 2950 | 1650 | 405 | 500 | ||
| RCDB-16 | 1600 | 450 | 400 | 70 | 13 | 4800 | 1900 | 460 | 560 | ||
| RCDB-18 | 1800 | 500 | 450 | 70 | 18 | 6900 | 2150 | 570 | 630 | ||
| RCDB-20 | 2000 | 500 | 500 | 70 | 20 | 7500 | 2300 | 580 | 680 | ||
5. Flexible Steuerungs- und Automatisierungsmöglichkeiten
Das RCDB bietet flexible Steuerungsmöglichkeiten und unterstützt den alternierenden Betrieb zweier Separatoren oder die intermittierende Erregung, um die Kaltleistung mit stabiler, starker Magnetkraft aufrechtzuerhalten. Das System ist mit der SPS-Programmierung für die automatisierte, zeitgesteuerte Eisenentladung kompatibel. Zu den optionalen Funktionen gehören akustische Alarme, Spulentemperaturüberwachung und Wiegeeinrichtungen, die bei Überschreitung von Lastgrenzen eine Prioritätsentladung und einen Alarm auslösen – und damit die Anforderungen einer intelligenten, modernen Produktion vollumfänglich erfüllen.

1. Montage
Befestigen Sie den runden, hängenden Trockenmagnetabscheider mithilfe der mitgelieferten Halterungen über Ihrem Förderband oder Zuführsystem.
2. Elektrischer Anschluss
Schließen Sie das Gerät an die 220V/380V-Stromversorgung Ihrer Anlage an; ein zusätzlicher Kühlkreislauf ist nicht erforderlich.
3. Startup
Einschalten über das intelligente Bedienfeld – das System führt einen Selbsttest durch und wechselt dann in den Bereitschaftsmodus.
4. Routinekontrollen
Die Spulentemperatur und die Riemenspannung sollten alle 1.000 Betriebsstunden überprüft werden; dank automatischer Eisenentladung ist nur minimaler Wartungsaufwand erforderlich.
III. Weitreichende industrielle Anwendungen
Dank ihrer außergewöhnlichen Eisenentfernungseffizienz und ihrer robusten Bauweise spielt die RCDB-Serie in vielen Branchen eine unverzichtbare Rolle:
- Kohlebergbau & Wärmekraftwerke – Entfernt Eisenverunreinigungen aus trockener Kohle und Koks und schützt so Brecher und Mahlanlagen.
- Metallurgie & Bergbau – Verbessert die Eisengewinnung und -rückgewinnung bei der Aufbereitung von Eisenerz, Kupferkonzentrat und anderen Mineralien.
- Cement & Building Materials – Positioniert vor Walzenpressen und Vertikalmühlen, um Beschädigungen zu vermeiden und eine stabile Produktion zu gewährleisten.
- Chemicals & Glass – Entfernt Eisenverunreinigungen aus chemischen und Glasrohstoffen und verbessert so die Reinheit des Endprodukts.
- Keramik & Feuerfeste Werkstoffe – Siebt ferromagnetische Substanzen aus Schleifmitteln und feuerfesten Materialien aus und gewährleistet so die Qualität des Endprodukts.
- Feststoffabfallbehandlung und Umweltschutz – Gewinnung von Eisen aus Haushalts- und Industrieabfällen, Unterstützung des Ressourcenrecyclings.
- Lebensmittel- und Holzverarbeitung – Entfernt Eisenverunreinigungen aus Rohstoffen und gewährleistet so Lebensmittelsicherheit und Holzproduktqualität.

IV. Marktaussichten und Wachstumsprognose
Mit fortschreitender industrieller Automatisierung und weltweit verschärften Umweltauflagen gewinnen elektromagnetische Trennanlagen zunehmend an Bedeutung. Der globale Markt für elektromagnetische Überbandseparatoren wurde 2024 auf rund 151 Millionen US-Dollar geschätzt und soll bis 2031 auf 192 Millionen US-Dollar anwachsen, was einer durchschnittlichen jährlichen Wachstumsrate (CAGR) von 3,5 % entspricht. Der breitere Markt für Magnetseparatoren erreichte 2025 einen Wert von 1,40 Milliarden US-Dollar und wird voraussichtlich bis 2032 auf 2,21 Milliarden US-Dollar wachsen (CAGR: 6,69 %). Insbesondere China hat sich zu einem schnell wachsenden Markt entwickelt, und chinesische Hersteller von elektromagnetischen Überbandseparatoren (RCDB) bauen ihre internationale Präsenz aktiv in Südostasien, dem Nahen Osten, Europa und Amerika aus.
In diesem sich ständig weiterentwickelnden Umfeld zeichnet sich die RCDB-Serie durch die Kombination aus fortschrittlicher, vollständig abgedichteter Konstruktion, computeroptimierten Magnetkreisen und überlegener Temperaturregelung aus.

V. Warum sollte man sich für den RCDB-Elektromagnetischen Eisenabscheider mit Aufhängung entscheiden?
Die RCDB-Serie setzt Maßstäbe bei der industriellen Eisenentfernung und bietet:
- Unübertroffene magnetische Leistung – tiefes Eindringen und hoher Gradient.
- Eine zuverlässige, vollständig abgedichtete Konstruktion – wasserdicht, staubdicht und korrosionsbeständig.
- Fortschrittliche Temperaturanstiegskontrolle – langfristig stabile Leistung.
- Hohe Anpassungsfähigkeit – geeignet für eine breite Palette von Bandbreiten, Materialarten und Umgebungsbedingungen.
- Flexible Automatisierungsoptionen – intelligenter, wartungsarmer Betrieb.
Häufig gestellte Fragen
1. Was sind die wichtigsten technischen Parameter des RCDB? Wie effektiv ist es bei der Eisenentfernung?
Die technischen Parameter variieren je nach Modell, wichtige Kennzahlen sind jedoch Bandbreite, Aufhängehöhe und Magnetfeldstärke. Das Gerät entfernt ferromagnetische Materialien mit einem Gewicht zwischen 0,1 und 35 kg effizient, wobei die Eisenentfernungsrate in der Regel über 95 % liegt.
2. Wie lässt sich feststellen, ob die magnetische Anziehungskraft des Magnetabscheiders nachgelassen hat? Was ist zu tun?
Sollten Sie feststellen, dass die magnetische Anziehungskraft des Magnetabscheiders nachgelassen hat, überprüfen Sie zunächst, ob sich die Aufhängehöhe oder der Neigungswinkel des Abscheiders verändert hat. Korrigieren Sie diese gegebenenfalls umgehend. Darüber hinaus kann ein längerer Dauerbetrieb des Geräts zu einem Temperaturanstieg führen, der ebenfalls die Magnetfeldstärke verringern und die magnetische Abscheideleistung beeinträchtigen kann.
3. Wie gehen Sie bei der Fehlersuche vor, wenn sich ein Gerät nicht einschalten lässt oder nach dem Einschalten keine Saugkraft aufweist?
Wenn ein Gerät sich nicht einschalten lässt oder nach dem Einschalten keine Saugkraft aufweist, sollten Sie als Erstes Folgendes überprüfen:
Prüfen Sie, ob ein offener Stromkreis in der Spulenwicklung vorliegt.
Prüfen Sie, ob das Verbindungskabel vom Schaltschrank zum Magnetabscheider einen guten Kontakt hat.
4. Wie wählt man das geeignete Modell aus (z. B. RCDB-6, RCDB-10 usw.)?
Die Modellauswahl hängt im Wesentlichen von zwei Faktoren ab: der maximalen Partikelgröße und Materialschichtdicke sowie der Förderbandgeschwindigkeit und -breite. Beispielsweise verwenden die Modelle RCDB-3 bis RCDB-6 Potentiometer zur stufenlosen Einstellung der Erregung, während die Modelle RCDB-6.5 und höher über Transformatoranzapfungen die Betriebsleistung regeln. Um eine präzise Modellempfehlung zu erhalten, empfiehlt es sich, dem Lieferanten vor dem Kauf detaillierte Betriebsparameter mitzuteilen.
TAGS :